
Honeywell Home ECP-ISO ECP Isolator for Fire or Burglary Devices
ECP-ISO|ECP-ISO
Honeywell Home ECP-ISO ECP Isolator for Fire or Burglary Devices
ECP-ISO|ECP-ISO
Honeywell Home
Honeywell Home ECP-ISO ECP Isolator for Fire or Burglary Devices
ECP-ISO | ECP-ISO
Please sign in to view pricing and availability and to add to cart.
Overview
Specifications
Documents
Product Overview
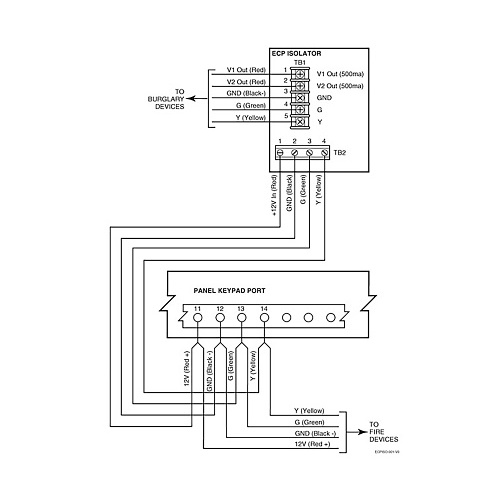
The ECP Isolator is designed to isolate burglary devices from fire devices on the ECP bus, so that a trouble on the burglary side of the bus will not affect the operation of fire devices. It can also be used in any system to prevent wire shorts or grounds from interfering with operation on another wired branch on the bus.
Main Features
General Information
Name:Honeywell Home ECP-ISO ECP Isolator for Fire or Burglary Devices
Category:Honeywell Home, Fire, Fire Control Panels, Fire Alarm Control Panel Accessories
UPC Code:781410949799
Country of Origin:Mexico. Country of origin is subject to change.
Specifications
ADI Part Number ECP-ISO Brand Name Honeywell Home Manufacturer Resideo Manufacturer Part Number ECP-ISO Product Model ECP-ISO Product Name ECP-ISO Burgular Isolator Product Type Burglar Isolator
Depth 1" Height 2.8" Width 3"
Input Voltage 12V DC
Additional Information - Helps to maintain the operation of near-side isolated equipment
- Required for commercial fire alarm systems
- Mount inside the control panel enclosure
Compatibility Honeywell Burglar Alarm Control Panels:VISTA-32FBPVISTA-128FBPVISTA-250FBPFA1670CFA1700C Country of Origin MX